PRODUCTS
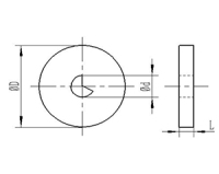
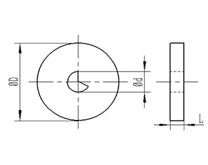
Drilling accessories stock-sealing disc
HTT specializes in making high-precision drill bush and tool accessories. We have sufficient stock for drill bushes, drill bush holders, whip guides, sealing discs and tool accessories. Custom-made non-standard parts can be made according to your drawings. The tolerance is as little as ± 0.005mm, the smallest ID can be 0.3mm.They are for metal, mold, medical equipment, aerospace and other industries.

Ningyuan Machine Tool Private Limited
Mumbai Branch: Bldg no: 194/6, Indian Corporation complex, Dapoda Road, Mankoli Naka, Bhiwandi-421302. Thane. Maharashtra. India
Tel: +91 9730788134/+91 9356112435
Chennai Branch: No.SP 95 - G, 4th Street, 2nd Sector, 2nd Phase, Ambattur, Chennai-600058, India
Tel: +91 9361190315/+91 9361190314
Pune Branch: Plot No 33. Sr.No.54., Swami Vivekanand Co Op Industrial Estate Ltd., Handewadi Road, Hadapsar, Pune-411028, India
Tel: +91 9730788134/+91 9356112435
Coimbatore Branch: SF No: 718/3J1,3K1 (Behind Aquatek), Pappampatti village, Vagarayampalayam, Sulur Taluk, Coimbatore-641659, India
Tel: +91 9361190315/+91 9597460578
E-mail: info@htt-india.com
www.htt-india.com
HTT headquarter: Shanghai Ningyuan Precision Machinery Corp. (China Stock Code: 873011)
Links: HTT China HTT USA HTT Germany
Copyright©Ningyuan Machine Tool Private Limited
